třmen omega HC2 s maticí
Vysokopevnostní šroubovací třmen podle EN 10204 k ukončení lanových vazáků pro spojení s jinými komponenty, dvojí zabezpečení před ztrátou šroubu. Šroub je proti uvolnění zajištěn maticí a závlačkou. Snadná montáž i demontáž, pro dlouhodobé nebo trvalé použití. Díky nekorozní úpravě dlouhá životnost při dodržení podmínek pro používání. Závit šroubu nesmí přesahovat do otvoru třmenu a musí být řádně utažen maticí a zajištěn pojistkou, aby nedošlo k nechtěnému uvolnění. Bezpečnostní faktor 6. Šekly kruhové jsou viditelně označeny pro svou snadnou identifikaci. Dodáváno s certifikátem.
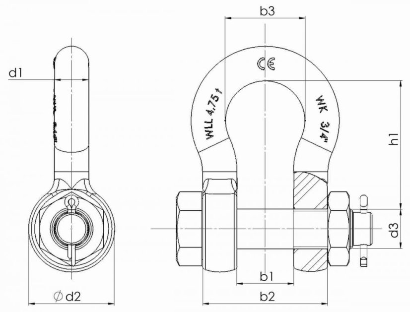
| nosnost | rozměry | hmotnost | ||||||
| WLL | b1 | b2 | b3 | d1 | d3 | d4 | h1 | M |
| t | mm | mm | mm | mm | mm | mm | mm | kg/ks |
| 0,5 | 12 | 25 | 19 | 6 | 17 | 8 | 28 | 0,07 |
| 0,75 | 13 | 29 | 21 | 8 | 21 | 10 | 31 | 0,10 |
| 1 | 16 | 36 | 26 | 10 | 26 | 12 | 36 | 0,18 |
| 1,5 | 18 | 40 | 29 | 11 | 28 | 14 | 42 | 0,25 |
| 2 | 21 | 47 | 33 | 13 | 30 | 16 | 48 | 0,37 |
| 3,25 | 27 | 59 | 43 | 16 | 42 | 20 | 60 | 0,71 |
| 4,75 |
32 |
70 | 51 | 19 | 48 | 22 | 71 | 1,27 |
| 6,5 |
36 |
80 | 58 | 22 | 57 | 27 | 84 | 1,78 |
| 8,5 |
43 |
93 | 68 | 25 | 62 | 28 | 95 | 2,52 |
| 9,5 |
46 |
104 | 74 | 29 | 69 | 33 | 103 | 3,53 |
| 12 |
52 |
116 | 82 | 32 | 78 | 36 | 119 | 5,04 |
| 13,5 |
57 |
127 | 92 | 35 | 86 | 39 | 133 | 6,84 |
| 17 |
60 |
136 | 98 | 38 | 94 | 42 | 146 | 8,78 |
| 25 |
73 |
161 | 127 | 44 | 112 | 52 | 178 | 14,09 |
| 35 |
83 |
185 | 146 | 51 | 127 | 60 | 197 | 20,9 |
| 55 |
105 |
232 | 184 | 64 | 152 | 72 | 267 | 39,9 |
Nenašli jste, co jste hledali? Potřebujete velké množství nebo máte speciální požadavky? Zadejte váš požadavek do poptávkového formuláře.
| čep | s maticí |
|---|---|
| povrch | žárově pozinkováno |
| materiál | pevnostní legovaná ocel |
| tvar | omega |
| výška | standardní |






