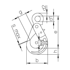
hák samosvěrný s okem LHWP třída 12
Samosvorný spojovací hák s okem podle EN 1677-3 pro dokonalou stabilitu a bezpečnost uchycení. Uzavírá se a zajišťuje automaticky. Zabraňuje tak vypadnutí řetězu a zajišťuje dokonalou stabilitu. Určeno pro přímý tah, špička háku a bezpečnostní pojistka nesmí být přetěžována. Širší rozevření huby háku oproti typu HSWP. Vhodný pro connex nebo svařovaný systém. Snadná montáž a dlouhá životnost při dodržování pokynů použití. Zajištěná nejvyšší možná nosnost při zachování minimální váhy. Komponenty jsou viditelně označeny pro svou snadnou identifikaci. Dodáváno s certifikátem.
Pozor! Hák nesmí být otevřen pod zátěží.
| označení | nostnosti | LC | rozměry | hmotnost | |||||||
| e | h | a | b | d1 | d2 | g | s | ||||
| t | kN | mm | mm | mm | mm | mm | mm | mm | mm | kg/ks | |
| LHWP 7/8 | 3 | 60 | 126 | 25 | 25 | 89 | 25 | 14 | 34 | 1 | 0,91 |
| LHWP 10 | 5 | 100 | 158 | 31 | 28 | 112 | 31 | 17 | 45 | 1,5 | 1,56 |
| LHWP 13 | 8 | 160 | 205 | 41 | 34 | 145 | 40 | 22 | 54 | 2 | 3,50 |
Návod ke stažení:
Nenašli jste, co jste hledali? Potřebujete velké množství nebo máte speciální požadavky? Zadejte váš požadavek do poptávkového formuláře.
| provedení | samosvěrný |
|---|---|
| třída | třída 12 |
| typ | s okem |
| výrobce | PEWAG |






